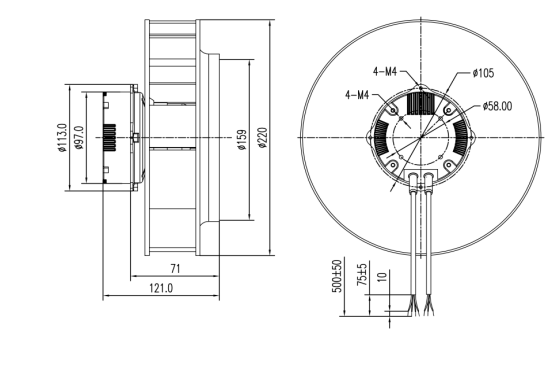
EC离心风机220mm
产品详情
1.产品简介
①型号:ECB220A230
②电机类型:EC
③材料:铝
④认证:CCC CE
⑤绝缘等级:F
⑥工作温度:-20 —+50°
2.技术参数
| 额定电压 | 输入功率 | 频率 | 转速 | 风量 |
| 230 | 105 | 50/60 | 3075 | 1190 |
3.风量风压曲线图


上一页:EC离心风机190mm
下一页:EC离心风机225mm

1.产品简介
①型号:ECB220A230
②电机类型:EC
③材料:铝
④认证:CCC CE
⑤绝缘等级:F
⑥工作温度:-20 —+50°
2.技术参数
| 额定电压 | 输入功率 | 频率 | 转速 | 风量 |
| 230 | 105 | 50/60 | 3075 | 1190 |
3.风量风压曲线图


上一页:EC离心风机190mm
下一页:EC离心风机225mm
7×24小时服务热线 0574-28825866