双进风离心风机YWFD146
产品详情
1.产品简介
作为一款出风口直径为146mm双进风离心风机,该款产品转速在950-2500RPM之间。最大风量可达到950立方米/小时,适用于工矿企业、宾馆、大型商场等建筑设施的各种大小规格的空调箱,风机柜式空调机组、中央空调机组和各种净化设备,具有通用性强、效率高、噪音低、风量大等特点。期待与更多的采购商和顾客合作。
双进风蜗壳离心风机是我司吸收国内外先进技术研制开发生产的离心风机,由蜗型机壳、外转子电机、多翼前向式离心叶轮三部分组成。壳体均采用镀锌钢板或不锈钢板,经机械化模具加工后电焊链接而成,结构牢固、合理紧凑。风量为510到2000立方米/小时,风轮直径从133mm到180mm,共有4种型号。叶轮全部采用模具化生产,经精密动平衡机器高速校验,具有体积小,效率高,风量大,振动小,噪音低,性能优越,安装调试方便等优点,是空调、净化、冷冻行业较理想的配套产品。广泛适用于宾馆、饭店、学校、工厂等场所和民用、工业建筑的通风换气,适用于对噪音要求严的环境及空调系统。
狮球离心风机的分类、产品应用、风机结构、设计选用说明、风机型号说明、产品认证详见:外转子离心风机YWF系列产品概述
2.技术参数
| 型号 | 额定电压 | 频率 | 额定电流 | 输入功率 | 转速 | 最大风量 | 电容 | 噪音 | 曲线 |
| YWFD2E146 | 230 | 50 | 1.2 | 280 | 1400 | 1000 | 8 | 60 | ① |
| YWFD4E146 | 115 | 60 | 1.9 | 220 | 1250 | 750 | 20 | 59 | ② |
| YWFD4E146 | 230 | 50/60 | 0.4/0.5 | 85/110 | 1150/1200 | 760/770 | 3 | 58 | ③ |
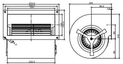
3.外形尺寸图

4.风量风压曲线图

上一页:双进风离心风机YWFD133
下一页:双进风离心风机YWFD160






