

后倾式离心风机YWFB560说明:
1. 性能参数:由4极和6极额定电压为400V,频率50Hz的三相异步电机组成,可通过接线法Y/△转换来实现双速,抽头调速可以实现多种转速。额定电流为2.24/1.29A和1.19A/0.70A,最大风量在为9000m3/h到10300m3/h之间。
2. 材料:高效外转子交流电机、后倾式圆弧形铝合金叶轮、免维护深沟球滚珠轴承、静电粉末喷塑转子
3. 技术特性:6块叶片风轮,IP54或IP44防护等级,B级或F级绝缘等级,S1连续运作模式,可任意安装,内置过载热保护,美国UL和欧洲CE产品认证
4. 产品特点:具有使用寿命长、免维护、风量大、调速方式多样、品质卓越、运行平稳可靠等特点。
5. 产品应用:适用于对噪音要求严的环境及空调系统,如与工业制冷系统、新风系统、厨卫风机、消防风机、通信设备散热器、小型冷凝机组、空气净化器、空气过滤器、屋顶风机、工业设备散热、冷风机组、模块机组、空调天花机等设备配套使用。
离心风机的分类、产品应用、风机结构、设计选用说明、风机型号说明、产品认证详见:YWF系列外转子离心风机概述。
后倾式离心风机
后倾式离心风机由过载热保护外转子电机、高效后倾式圆弧形离心叶轮两部分组成。叶轮全部采用模具化生产,经精密动平衡机器高速校验,具有体积小,效率高,风量大,振动小,噪音低,性能优越,安装调试方便等优点,是空调、净化、冷冻行业较理想的配套产品。广泛适用于宾馆、饭店、学校、工厂等场所和民用、工业建筑的通风换气,适用于对噪音要求严的环境及空调系统,如与工业制冷系统、厨卫风机、消防风机、通信设备散热器、小型冷凝机组、空气净化器、空气过滤器、屋顶风机、管道风机、冷风机组、模块机组、空调天花机等设备配套使用。
1. 产品性能参数
|
型号 |
额定电压 |
频率 |
额定电流 |
输入功率 |
转速 |
最大 |
噪音 |
曲线 |
| YWFB4D560 | 400Y | 50 | 2.95 | 1800 | 1380 | 10250 | 85 | ① |
| YWFB6D560 | 400Y | 50 | 1.4 | 620 | 920 | 7300 | 72 | ② |
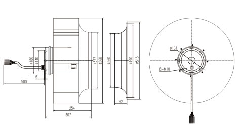
2.技术图纸

3. 风量和静压曲线图
